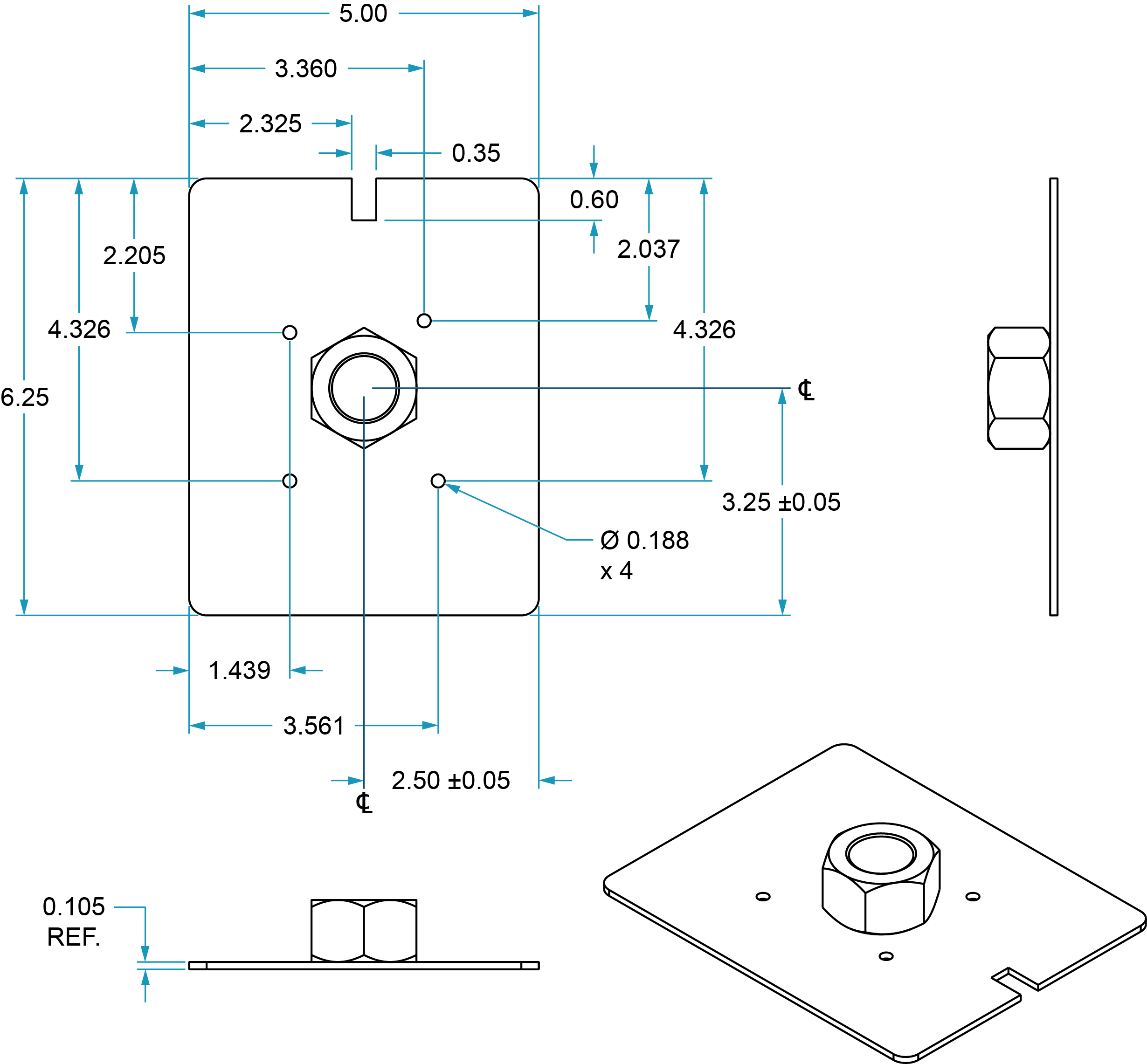
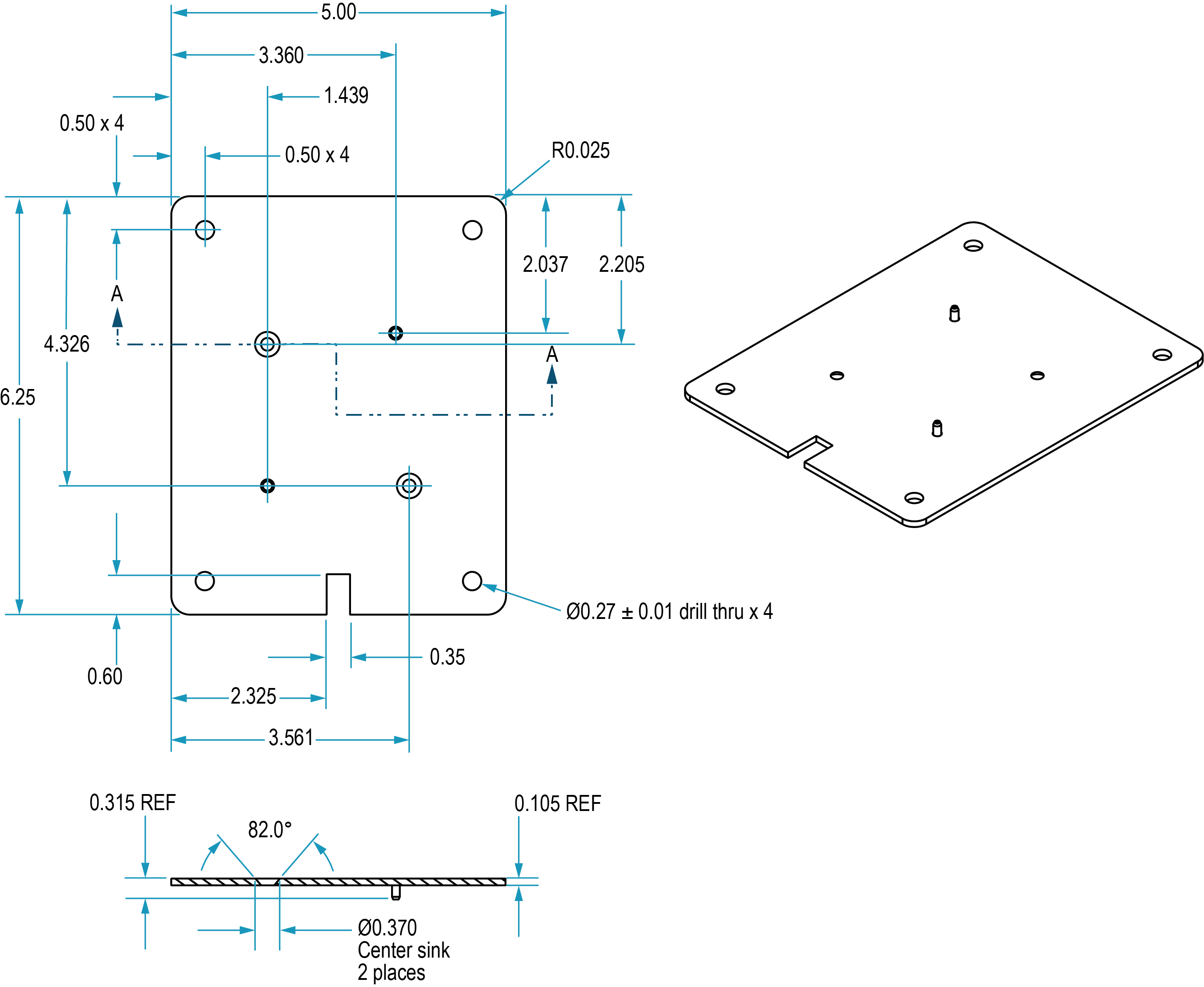
SMART2 mechanical specifications

In the following diagrams, the dimensions are in millimetres.

SMART2 dimensions

 

SMART2 surface mounting plate (01018317)

 

SMART2 pole mounting plate (01019142)