OEM-IMU-µIMU-IC / OEM-IMU-µIMU-IC-UART mechanical drawings

The following graphics are courtesy of Northrop Grumman LITEF GmbH.

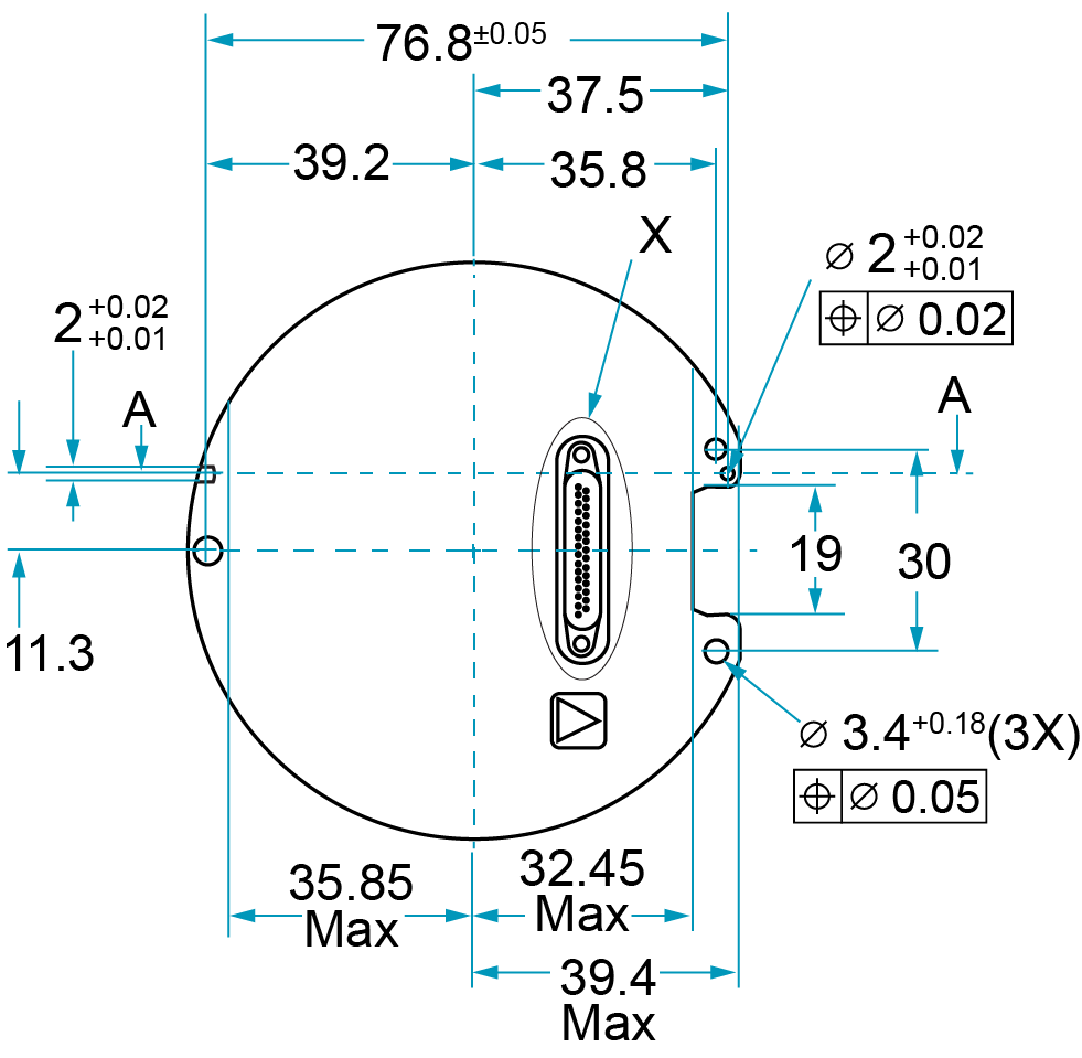
In the following diagrams, the dimensions are in millimetres.

OEM-IMU-µIMU-IC / OEM-IMU-µIMU-IC-UART top dimensions

 

OEM-IMU-µIMU-IC / OEM-IMU-µIMU-IC-UART side dimensions

 

OEM-IMU-µIMU-IC / OEM-IMU-µIMU-IC-UART bottom dimensions

 

OEM-IMU-µIMU-IC / OEM-IMU-µIMU-IC-UART coordinate axis